

Detailed technical information on this fascinating antenna is out now.
This innovative design was originally created by Mr. Hajime Nakajima / JR1OAO. Several implements were built and used successfully. This is not a one-off experimental design.
Here in Sourthern California, we participated in discussion, contributed soem work and documented the design to support his activities.
Last year, it was
submitted to 2024 QST Antenna Design Competition and won an "Honorable Mention".
It did not win the top prize, as the QST Editorial Director mentioned
"Though the competition is for QST, the judges felt that your project (which one judge described as “gorgeous”) was beyond the ability of most QST builders, and therefore more appropriate for the QEX audience."
10/28/2025:QEX Article PUblihsed!
The Desktop MLA article is finally published on QEX magazine November / December 2025 edition.
If you are ARRL member, you can download the magazine at ARRL.ORG site. If not, find a copy at local ham store.
We've been anxious to see the article published. Since the copyright / distribution right for the original submission was held by ARRL, we refrained from publishing on our own here until now.
But now it is published, I am also releasing a separate edition of the writing. It is not a copy of the QEX article. There are overlap because it's on the same subject. Some detials specific to our activities and build information are added.
Please download from the link below.
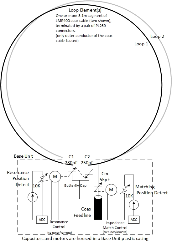
11/02/2025: Combination Variable Capacitor!
We managed to build a prototype "Combination Varaible Caopacitor" described in the Desktop MLA article.
It has been a big road block to rebuild USA version of the antenna match box and the available material has been scarce and costly. But we came up with our own. I released the "Making..." write-up below. Please download if you are curious.
Please download these documents:
| "DesktopMLA-WebSiteEdition.pdf" |
| "DesktopMLASims.pdf" |
| "InitialTuningTestOnDesktopMLA.pdf" |
| "Making of Combination Variable Capacitor" |
Now this is just a beginning of our project around this Desktop MLA.
We have been, and still in development of an intelligent tuner specialized for MLA, to automate adopting tuning of mutliple configurations. Early prototype is in the works, and we hope to announce it soon.
Please understand that none of these items mentioned here and the documents are commercially available to purchase. At least not yet. The main purpose of this publication is to share how to build and/or enhance the design, to encourage technical challenge by the wide ham community.
In case you are interested in joining this project, let us know. Write to us at mla@w6si.com
![]() JR1OAO's DPAT |
|
![]() New Combo Varaible Capacitor Prototype |
de W6Si / Tak